襯氟球閥襯氟球閥結構
在發展中國家,襯氟球閥廣泛用于煉油,長輸管道,化工,造紙,制藥,水利,電力,市政,鋼鐵等行業,在國民經濟中發揮著重要作用。

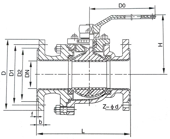
手動襯氟球閥襯氟球閥結構

氣動襯氟球閥襯氟球閥結構
襯氟球閥的閥盤是帶有圓形通道的球體,該通道圍繞垂直于該通道的軸旋轉,并且球與閥桿一起旋轉以達到打開或關閉通道的目的。僅在90度旋轉操作和小旋轉扭矩的情況下,襯氟球閥才能緊密關閉。根據工作條件的要求,可以組裝不同的驅動裝置以形成具有不同控制方式的襯氟球閥,例如電動襯氟球閥,氣動襯氟球閥,液壓襯氟球閥等。

球閥的工作原理
由于襯氟球閥通常用橡膠、尼龍和聚四氟乙烯作為閥座密封圈材料,因此它的使用溫度受到閥座密封圈材料的限制。
又由于襯氟球閥的閥座密封圈通常采用塑料制成,故在選擇襯氟球閥的結構和性能上,要考慮襯氟球閥的耐火和防火,特別是在石油、化工、冶金等部門,在易燃、易爆介質的設備和管路系統中使用襯氟球閥,更應注意耐火和防火。
通常,在雙位調節、密封性能嚴格、泥漿、磨損、縮口通道、啟閉動作迅速(1/4轉啟閉)、高壓截止(壓差大)、低噪聲、有氣穴和氣化現象、向大氣少量滲漏,操作力矩小、流體阻力小的管路系統中,推薦使用襯氟球閥。
襯氟球閥也適用于輕型結構、低壓截止(壓差小)、腐蝕性介質的管路系統中。在低溫(深冷)裝置和管路系統中也可選用襯氟球閥。
在冶金行業的氧氣管路系統中,需使用經過嚴格脫脂處理的襯氟球閥。在輸油管線和輸氣管線中的主管線需埋設在地下時,需使用全通徑焊接式襯氟球閥。在要求具有調節性能時,需選用帶V形開口的專用結構的襯氟球閥。在石油、石油化工、化工、電力、城市建設中,工作溫度在200度以上的管路系統可選用金屬對金屬密封的襯氟球閥。
襯氟球閥的優點:
1.襯氟球閥不受安裝方向的限制,介質的流動方向可以是任意的。流體阻力小,全通徑襯氟球閥基本上沒有流動阻力。
2.襯氟球閥有兩個密封面。目前,各種塑料被廣泛用于襯氟球閥的密封表面材料,具有良好的密封性能,可以實現完全密封。它也廣泛用于真空系統。
3.襯氟球閥適合頻繁操作,啟閉迅速輕便。它易于操作,并且可以快速打開和關閉。從完全打開到完全關閉只需旋轉90度,這對于長距離控制很方便。
4,該襯氟球閥結構簡單,密封圈一般可動,拆裝方便。
5.當閥門完全打開或關閉時,球和閥座的密封表面應與介質隔離。當介質通過時,閥密封面不會被腐蝕。
6.它可用于多種應用,例如直徑范圍從幾毫米到幾米,可以施加從高真空到高壓的壓力。
7.襯氟球閥由于在打開和關閉過程中具有擦拭特性,因此可用于具有固體懸浮顆粒的介質。
8.襯氟球閥流體阻力小,無振動,噪音低。